Hi All,
I needed something mindless after another interesting week at work, so I spent some time on the V2 OneHand PCB (Sorry Mu - I was going to learn Kicad, but got distracted!).
Here's the top and bottom of the current V2 design.
Here's the Teensy 2.0 connection schematic.
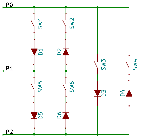
Finally, here's the keyboard matrix.
The design allows for the following functionality:
- Reverted to Teensy 2.0, as I've relied on PRJC's website for ideas/code/etc I thought it better to stay with the Teensy - it also provides more I/O allowing the digtal expantion and LEDs.
- Up to 20 keys in a 5x4 matrix, with the ability to scan another 6x4 matrix.
- Connection header to allow a second OneHand matrix PCB to be scanned from a single CPU to create a TwoHand keyboard.
- If double height keys are used for the thumb and lower little finger key there is a connection point for the unused key positions to allow the creation of an additional thumb switch.
- Cherry PCB mount 2x stabilizer as needed.
- Option to use 1.5 height keys on the three keys on the bottom row.
- Three mode indicator LEDs at the bottom edge.
- Two I2C Grove connectors (sharing the same signals) with optional pull-up for interconnection or expansion.
- Serial (TTL) or PS/2 Grove connector with optional pull-up for Touchpad or expansion.
- Digital I/O Grove connector with PWM capability for expansion.
- Surface mount components for circuit simplicity.
- Four PEM nut mounting holes, similar to V1.
- I lost the interesting PCB shape due to the increased capabilities and need for space...

The four 90 degree grove connectors are in mounted in pairs back to back on the bottom of the PCB, with the I2C pointing to the outside. This allows quite a selection of off-the-shelf expansion modules from Seeedstudio -
http://www.seeedstudio.com/wiki/GROVE_System to be added, as long as they are compatible with the 5V digital only signals. Of particular interest is their color LCD panel...

I'm doing a last sanity check on the design, and then I'm going to pull the trigger on another batch of PCBs. I don't know if the SIL connection for linking the two PCBs on a TwoHand design will work especially well, but I2C could always be used via the Grove connection if each board had a Teensy... Time will tell!
Anyone interested in a OneHand V2 PCB, or two, please let me know so I have an idea how many to order.