[New]Kailh Mini Choc Switch PG1232

kailh

12 Sep 2017, 04:18

[New]Kailh Mini Choc Switch PG1232

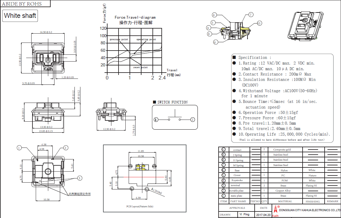
Pretravel:1.2mm±0.5mm
Actuator travel:2.4±0.5mm

more info http://www.kailh.com
1232.jpg
1232.jpg (556.52 KiB) Viewed 12773 times
Attachments
PG1232.jpg
PG1232.jpg (105.55 KiB) Viewed 12607 times
Last edited by kailh on 15 Sep 2017, 02:45, edited 2 times in total.

User avatar
DarKou

12 Sep 2017, 11:12

White shaft and Brown shaft do interest me!

Is it possible to buy some of them (3 or 4)?

User avatar
ideus

12 Sep 2017, 19:15

There is no information about this model in the site switches' catalog.

n0rvig

12 Sep 2017, 20:42

Is this compatible with other switch caps?



Sent from my iPhone using Tapatalk

User avatar
InvidiousIgnoramus

13 Sep 2017, 21:27

Wait, are these different from the other low profile switches that kailh released? They sound a lot like those ones, but with a different color stem.

User avatar
Daniel Beardsmore

13 Sep 2017, 23:09

Seems so, as those were [wiki]Kailh PG1350 series[/wiki].

Kurplop

14 Sep 2017, 02:59

Smaller switch, shorter travel. 1.2mm pretravel vs. 1.5mm for 1350. 2.4mm total travel vs. 3.0 for 1350.

I wonder if they work as well as the 1350?

kailh

14 Sep 2017, 05:36

DarKou wrote: White shaft and Brown shaft do interest me!

Is it possible to buy some of them (3 or 4)?
hello.it isn't the PG1350

kailh

14 Sep 2017, 05:36

Kurplop wrote: Smaller switch, shorter travel. 1.2mm pretravel vs. 1.5mm for 1350. 2.4mm total travel vs. 3.0 for 1350.

I wonder if they work as well as the 1350?
yeah,
PG1232-1.jpg
PG1232-1.jpg (124.54 KiB) Viewed 12620 times

kailh

14 Sep 2017, 05:37

ideus wrote: There is no information about this model in the site switches' catalog.
it's our new low profile switch
the site haven' t been updated

kailh

14 Sep 2017, 05:39

n0rvig wrote: Is this compatible with other switch caps?



Sent from my iPhone using Tapatalk
hello,it isn't compatible with MX keycap,please find the picture
PG1232-1.jpg
PG1232-1.jpg (124.54 KiB) Viewed 12624 times

kailh

14 Sep 2017, 05:41

InvidiousIgnoramus wrote: Wait, are these different from the other low profile switches that kailh released? They sound a lot like those ones, but with a different color stem.
only smaller than PG1350

kailh

14 Sep 2017, 05:42

Daniel Beardsmore wrote: Seems so, as those were [wiki]Kailh PG1350 series[/wiki].
nope,it's PG1232 just size smaller than PG1350 series

User avatar
Daniel Beardsmore

14 Sep 2017, 09:20

Don't make me go Clouseau on you …

Draghmar

03 Jul 2018, 14:57

Does this keyboard use those switches?
Motospeed CK94
It looks like that from the pictures but I can't find any confirmation...There more pictures at two china stores if you want to look for it.

kailh

04 Jul 2018, 08:19

Draghmar wrote: Does this keyboard use those switches?
Motospeed CK94
It looks like that from the pictures but I can't find any confirmation...There more pictures at two china stores if you want to look for it.

not,Motospeed CK94 is Choc Switch PG1350

Draghmar

04 Jul 2018, 12:26

kailh wrote: not,Motospeed CK94 is Choc Switch PG1350
Oh, ok - thanks! So it's clicky then. And here I thought I finally found keyboard I'm looking for. ;)

spex

01 Oct 2018, 13:41

Draghmar wrote:
kailh wrote: not,Motospeed CK94 is Choc Switch PG1350
Oh, ok - thanks! So it's clicky then. And here I thought I finally found keyboard I'm looking for. ;)
No, that's not a given. It could be clicky, tactile, or linear. Since it's a gaming keyboard, it's likely linear.
wiki/Kailh_PG1350_series

Post Reply

Return to “Gallery”